ballast resistor do you need it??

So an MSD will not be effected by bypassing the ballast resistor? I never knew that! I actually have an MSD somewhere in my stash of car parts. That might be the way to go, especially since the car stutters sometimes during hard acceleration and idles rough. Thanks for the info!! I just love this website!! There is so much knowledge out there that people are willing to share. Thanks to all who chimed in on this subject.
Correct . MSD boxes do not require resistors like chrysler boxes as they have heavy enough components to handle the full current.
 
I completely disagree.
Well the you can learn this today.

Read here: https://www.jegs.com/InstallationInstructions/500/555/555-40800_05.pdf

See diagrams. Second is for converting a lean burn car so they have a bit more confusion going on the power side.

Im sorry, I dont follow what your saying, yes 2 wires to the distributor, 1 wire to the coil, and what do you mean a 12+ wire?
Electrical components need 12 volts to function, this ECU is no different. It needs 12 volts from keyed power. that's what comes from the 12 volt side of the ballast.

D4638415-0BDD-456E-A314-BF4E5806C0C1.jpeg


8918EABC-B1CD-425B-96AD-357C7D9025B8.jpeg
 
Last edited:
Well the you can learn this today.

Read here: https://www.jegs.com/InstallationInstructions/500/555/555-40800_05.pdf

See diagrams. Second is for converting a lean burn car so they have a bit more confusion going on the power side.


Electrical components need 12 volts to function, this ECU is no different. It needs 12 volts from keyed power. that's what comes from the 12 volt side of the ballast.

View attachment 723377

View attachment 723378
I actually learned 2 things today;
1) you agree with me
2) you're grasping to figure out why 1) above, is true
 
Well then you;
can't read wiring diagrams, you are generally confused.
 
I actually learned 2 things today;
1) you agree with me
2) you're grasping to figure out why 1) above, is true
@413 is correct.

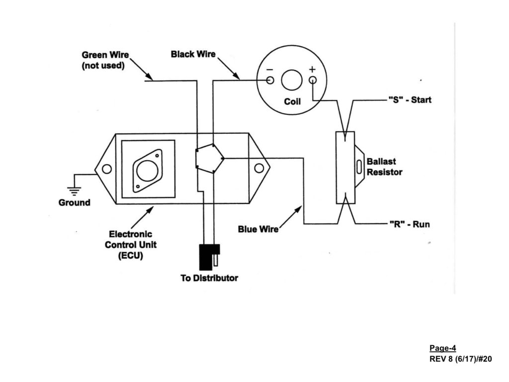
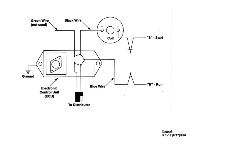
The question is if power to the ECU needs to go through the ballast resistor. Correct? We need to be on the same page with the question.

So I took the top diagram and erased the BR from the diagram so it shows that "run" power is feeding the ECU directly and not through the BR. When you put the BR back in the diagram, you'll see that it feeds the coil.

ECU.jpg
 
The question is if power to the ECU needs to go through the ballast resistor. Correct? We need to be on the same page with the question.


View attachment 723400
All I stated was that the box needs a ballast resistor. I did not say it had to be inline with the B+ connection. That is an assumption made by others.
It has to be there to limit current going through the ground switching device . That is why you won't see any of diagrams without the resistor. The MSD box does not require the same protection.
Hope that clears it up.
 
All I stated was that the box needs a ballast resistor. I did not say it had to be inline with the B+ connection. That is an assumption made by others.
It has to be there to limit current going through the ground switching device . That is why you won't see any of diagrams without the resistor. The MSD box does not require the same protection.
Hope that clears it up.

I was not understanding your point.

I've used the MSD without the ballast resistor and I have also used the Pertronix without the ballast resistor.
 
What ever electronic ignition you use is either designed for full voltage or not. The GM based HEI modules are designed for system voltage so no ballast is needed. So are most Pertronix units. The instructions will tell. Chrysler Electronic ignition is not designed for full system voltage. That's why you need a ballast resistor. They use full system voltage in the crank position and as soon as the engine fires and you let off the key, the system runs off of reduced voltage to the ECU in the run position of the ignition switch.
 
Ballast resistors were on every Chrysler car in the 1960's. They were used to drop voltage to the coil during run position. There was no electronic ignition until early 1970's.

When electronic ignition started in 1971 as an option and 1972 as standard they had a dual ballast, 1.2 ohm side for coil, 5 ohm side for 5 pin ECU.

Then Direct connection came out with electronic ignition kits with 4 pin ECU. They were also used to bypass the lean burn on late 70's rigs.

Read these wiring diagrams. They are clearly showing what the ballast does.

Chrysler has 4 pin and 5 pin ECU's they don't work the same.

4 pin ECU single ballast runs on 12 volts to pin #1, pin #3 not used.

5 pin ECU dual ballast 12 volts pin #1, reduced voltage on pin #3 from ballast resistor.

https://www.mymopar.com/downloads/elecignconv.pdf
9DD077CE-EBA9-483A-94B1-C69BECD29011.jpeg


1E5D1FD7-BA3C-4663-9F0B-6DC04380975D.jpeg
 
Last edited:
At least we can all agree. Regardless of 4pin or 5pin, regardless of pins #1 and # 3, you will need the ballast in the circuit of pin #2, like all of the diagrams show.
And that circuit includes; B+ > ballast> coil> and lastly pin2, which goes to the grounding device in the box. This is what burns out from lack of resistor.
 
My Polara had an issue when I bought it. It was a Mopar electronic conversion on the Poly 318. I had to jump the coil positive from the battery to start it cold. Apparently the previous owner had some issues and just threw some parts at ti. I talked to Halifaxhops and he sent me some good parts and some booklets and diagrams. It was wired for a 4 pin and had a 5 pin ecu on it. It also had a points type ballast on it which has less resistance and could burn out the ECU. (probably what happened) I got it straightened out and now it starts great and runs good.
 
At least we can all agree. Regardless of 4pin or 5pin, regardless of pins #1 and # 3, you will need the ballast in the circuit of pin #2, like all of the diagrams show.
And that circuit includes; B+ > ballast> coil> and lastly pin2, which goes to the grounding device in the box. This is what burns out from lack of resistor.


@RemCharger: No, I don't agree with you that pin #2 needs a ballast resistor. Pin #2 is the ground signal from the ECU to negative side of coil to fire the coil.
 
@RemCharger: No, I don't agree with you that pin #2 needs a ballast resistor. Pin #2 is the ground signal from the ECU to negative side of coil to fire the coil.
Negative side of the coil and not a ground. Exactly.
 
Regarding the use of the Holley 556-153 canister coil with a Chrysler ECU:
The 556-153 has a primary resistance of 0.7 ohms. Running without a ballast resistor and assuming 12 volts across the coil itself and the ECU switching transistor yields a current of 17+ amps which will burn out the ECU if it reaches this level, and is pushing the ratings of the wiring and connections. A ballast of ~1.3 ohms will bring this down to ~ six amps which is within the parameters for the Chrysler ECU or a point contact system. Chrysler 5206436 or P5206436 could be used as the ballast resistor. How the Holley coil performs with this should be checked with Holley, although they specify no resistor required. With the resistor installed, the Holley coil may not provide its full energy potential. Aftermarket ECUs might vary in what current they can handle compared to original Chrysler units.

Regarding the general use of a ballast resistor with Chrysler ECUs:
The ballast resistor, or the ballast resistor half of the dual resistor, performs a similar function as in the contact points system, whether a four-pin ECU or five-pin ECU. That is, it limits current through the series connected coil and switching power transistor in the ECU system, as with the series connected coil and points in the contact points system. The resistance increases as the current increases, which hears the resistor, in general due to engine speed increase. The increased resistance limits the current further protecting the coil and transistor or points. Both systems bypass the resistor during engine cranking.

The auxiliary five ohm resistor in the dual resistor connects internally in a five pin ECU as part of the driver circuitry for the switching transistor. When Chrysler re-designed the ECU in 1980, the external auxiliary resistor was eliminated with the revised circuitry.

The term "dual ballast resistor" is really a misnomer, but most sources, including Chrysler themselves in some documents refer to it this way. Chrysler also referred to it as dual unit or dual type, then referenced the appropriate resistor section. A more accurate term than dual ballast resistor would be "dual combined housing with ballast and auxiliary resistors".

For some more information about Chrysler's ballast resistors and ECUs, I wrote the following. It's not finished yet, like a lot of other documents in my queue, but it expands on some of the details and provides a timeline of the ECUs. There are no diagrams in this text part, but the already posted diagrams cover it.





Chrysler Electronic Control Units and Ballast Resistors

Author: Gary Lewallen

DRAFT - 12 June 2025
- ToDo: Add diagrams and associated verbiage
- ToDo: Add to Measuring Resistance
- ToDo: Add references
- ToDo: More aftermarket?
- ToDo: Full check


Contents

Introduction
Chrysler Contact Point Ignition System
Chrysler Electronic Ignition System
- Summary of Chrysler Production ECUs
Chrysler High Performance ECUs
Aftermarket ECUs
Measuring Low Resistance


Introduction​


Chrysler introduced their electronic ignition to replace point contact ignition systems. The following treatise describes the differences and nuances between Chrysler "4 pin" and "5 pin" Electronic Control Units (ECUs), a timeline of the ECU production, and the dual and single ballast resistors used, plus a comparison to the earlier point contact system. This document does not cover full theory of the overall system, nor diagnostic and repair of the system.

Chrysler Contact Point Ignition System​


The Chrysler electronic ignition system of the 1970s and 1980s was developed to replace their prior production version of the Kettering point contact ignition system. The goal was to replace the relatively high maintenance point/condenser ignition coil trigger method with a non-wearing electronic method while retaining many of the earlier components, with minor changes, including the coil, the distributor body and advance structure, the distributor cap and rotor, the secondary ignition spark plug wires, and a similar ballast structure to control coil current based on engine speed and demand. The ignition circuit ballast also limits current through the new switching transistor coil trigger similarly to the previous point contacts. The result was a magnetic pulse triggered, electronically switched coil with lower maintenance, and reduced development and production cost with the other similar and familiar ignition components.

In the Kettering style point contact ignition, including Chrysler's version, the system primary circuit ballast resistor's resistance varies directly with temperature, and indirectly with engine RPM to maintain a stable voltage at the ignition coil, and subsequent current through it. The electrical current primary ignition path is from the battery through the bulkhead connections, through the ignition switch contacts, through the ballast resistor, through the contact points, then to ground. When the engine is started, during “Ignition Start”, the ballast is bypassed during cranking. When the engine begins to run, and the ignition switch returns to "Ignition Run", the ballast is initially cool and resistance is low. As the engine runs at low speeds with longer induction build and collapse times in the coil, the ballast heats up, resistance increases, and current through the coil and voltage applied drops, preventing coil overheating and reducing point arcing. At higher engine speeds, with lessened induction build and collapse times in the coil, the ballast cools, resistance lowers again, and more current and applied voltage for the coil is available for higher speed secondary circuit spark plug firing.

Dual point distributors were used in some applications. The operation is the same as with a single contact point distributor except the dual points allow more “closed” point time, or dwell, which drives current longer into the coil resulting in a stronger spark. Higher RPM operation is typically achieved from less point “bounce” and a more assured spark. Ballast resistors for dual point systems were unchanged and performed the same function as single point systems.

The Chrysler ignition ballast resistor used in the 1960s through 1972 for point systems, part numbers 2095501, 2196316, or 2275590, is also an open back, ceramic power resistor. This ballast resistor measures 0.5 - 0.6 ohms af 70-80 degrees Fahrenheit and has specific, expected thermal design properties.

The Chrysler 1960s - 1979 production coil resistance at 70-80 degrees Fahrenheit measures 1.6 - 1.79 ohms for the Prestolite 2444242 type coil and 1.34 - 1.55 ohms for the Essex 2444241 type coil. The total dynamic action with an ignition coil involves its total impedance, but the direct current (DC) limiting effect is based on its resistance. The combined total resistance of the coil, ballast resistor, and the marginal wiring, connections, and point contact resistance add to about two-three ohms. The ~two-three ohm total, which varies as the ballast resistor varies, limits the point contact and coil primary current to about four to six amps peak.

A precursor, but not related, system to Chrysler’s electronic ignition of the 1970s and 1980s was the transistorized ignition produced for Chrysler by Prestolite and used on race vehicles. The two units, “black heat sink” and “blue heat sink”, using a different, but similar type, coil and ballast resistor (0.25 ohms) offloaded the firing of the coil by the points. The points triggered the unit which then fired the coil with more energy. It reduced point arcing and wear and allowed for a hotter, longer spark, and increased energy available at higher engine speeds.

Chrysler Electronic Ignition System​


Chrysler’s point ignition replacement electronic ignition, which first appeared in late 1971 340 with manual transmission models (Ref. Technical Service Bulletin D71-8-9), introduced the four-terminal, dual ballast resistor, part number 3656199 and Electronic Control Unit (ECU), part number 3438850.

The Chrysler ECU employs timing and driver circuitry internally to switch a power transistor with “turns on and off” to switch the coil primary on and off, producing the secondary spark. The electrical current primary ignition path is from the battery through the bulkhead connections, through the ignition switch contacts, through the ballast resistor, through the switching transistor, then to ground. The power transistor mounted on the outside of the ECU case with a heat sink can sink more current than contact points. This transistor switching performs the same action as the points of the old system. The dwell time of points that is adjusted by setting the point gap is controlled electronically within the ECU timing circuitry. The ECU mounts solidly to a body ground, both mechanically and electrically, and uses a molded five-pin connector to wire into the vehicle electrical system, ignition coil, and distributor. The distributor points and cam lobes of the old system are replaced by a reluctor wheel and magnetic/inductive pickup. The reluctor wheel has high points which vary the magnetic field strength, or reluctance, in the pickup coil generating the signal to the ECU.

The primary, or compensating, side of the dual resistor used with the ECU is the same type as the earlier point systems with an open back, ceramic housed, wire wound nominal 0.55 ohm resistor. The resistor still performed the same thermal adjusted coil current/voltage stabilization. The resistor also limits the current through the power transistor of the ECU, protecting it, similar to the same action with points.

The other side of the ceramic case dual ballast resistor houses an enclosed "non-thermal" auxiliary resistor which measures 4.75 - 5.75 ohms at 70-80 degrees Fahrenheit. This nominal, five ohm resistor is connected to the "fifth pin" of the ECU. Internal to the ECU, the auxiliary resistor connects to the collector lead of the driver transistor for the main power transistor and part of its biasing. It limits overall current from the 12 volt supply. The other four pins of the ECU connect to the dual lead of the distributor pickup coil, the 12 volt Ignition Run primary power, and the lead to the negative side of the coil for the coil switching action, similar to the connecting lead from the distributor points in the old system.

The primary ignition circuit wiring of the point system was modified and expanded to include the ECU. Although there are some wire color variations in production cars and trucks, the general color coding of the changed wiring, and that used in the Chrysler wiring harness kit, part number P3690152, is as follows:
  • Connection to 5 ohm ballast resistor terminal - green with red tracer (not used with 4-pin ECUs)
  • Connection to Ignition Run circuit - blue with yellow tracer
  • Connection to ignition coil negative (-) terminal - black with yellow tracer
  • Connection to distributor pickup coil 1/2 - grey
  • Connection to distributor pickup coil 2/2 - black
The same type of coil, part number 2495531, et.al. as used with the points system continued in production with the ECU, . The combined total resistance of the coil, ballast resistor, and the marginal wiring, connections, and effective transistor resistance still add to about two ohms. The ~two-three ohm total, which varies as the ballast resistor varies, limits the transistor and coil primary current to about four-six amps peak, although the transistor can actually sink more current.

In 1972, electronic ignition was extended to some other applications. Different versions and part numbers of the ECU were used, including some with an engine speed limiter which was denoted by heat sink color. The non-limited 3438850 has a gold heat sink. The red heat sink unit, part number 3656127 limits RPM to 5000-5200 and was used on 400 and 440 high performance manual transmission applications. The blue heat sink unit, part number 3656128 limits RPM to 5300-5500 and was used on 340 manual transmission applications.

In 1973, electronic ignition became standard on all domestic Chrysler vehicles. The speed limited ECUs were dropped from production. ECU part number 3656900, with gold heat sink and a white paint dot, replaced earlier ECUs as Chrysler improved the circuitry for better cold starting in low temperature conditions. As a running change in 1973 production, a radio noise suppression capacitor was added to the external wiring, connected to the green wire with red tracer.

In early 1974, ECU part number 3755550, with a gold heat sink, which now included the radio noise suppression capacitor internally, was released. Later in 1974, part number 3874020, with added voltage spike protection and a gold heat sink, replaced earlier ECUs. 3874020 was used through 1979.

In later 1975 production, Chrysler adjusted the primary resistance in the dual ballast resistors to 1.25 - 1.5 ohms and also encased the resistor reducing the thermal action as part number 3874767. The effect of current limiting based on engine speed and temperature variation was lessened to a shorter effective range.

The 1.5 ohm dual ballast resistor used in 1975-1979 ECU applications should not normally be used in place of the 0.5 ohm dual ballast resistor used in 1971-1975 ECU applications. The later dual ballast resistor will function okay in place of the earlier dual ballast, but depending on the ECU, optimal coil energy will be reduced.

In 1976, Chrysler introduced Electronic Lean Burn (ELB) which replaced the ECU in many applications, although the ECU function was integrated into the ELB Spark Control Computer (SCC) as the internal Ignition Control Module (ICM) in conjunction with the Program Schedule Module. ELB initially used a dual ballast resistor with the five ohm side connected to the SCC and the 0.5 ohm side still connected as ballast resistor for the coil. The conventional ECU with dual ballast resistor continued to be used in non-ELB applications.

In 1979, ELB was revised with digital control in the Program Module and the extreme lean condition of ELB was dropped. The revised SCC was called Electronic Spark Advance (ESA) or Electronic Spark Control (ESC). The conventional ECU with ballast resistor continued to be used in non-ESA/ESC applications. The ECU and ballast resistor was unchanged but the coil, part number 4167126, 4176009, et.al. was revised. The secondary wire connection was changed to an internal male lock terminal.

In 1980, Chrysler revised the non-ESA/ESC five pin ECUs to remove the external auxiliary resistor connected to the fifth pin of the ECU. The external resistor function is included internally in the revised internal circuitry. The Darlington pair power transistor mounted on the outside of the ECU case with a heat sink can sink 10 amps continuously and 16 amp peak spikes. This new unit for 1980 is the "four pin" ECU, part number 4111850, which was used through the 1980s. The new two terminal ballast resistor (part number 4106340, 5206436, et.al.) is 1.12-1.38 ohms for the primary circuit to the coil. The new ballast resistor eliminated the metal bracket and had a mount molded into the ceramic housing.

A four pin ECU can be used in a five pin ECU system with its four terminal ballast resistor. The five ohm resistor half of the dual ballast resistor is not used, nor is the ECU pin connected internally, even if a "dummy" fifth pin is present. However, an early five pin ECU cannot function in a system with a two terminal ballast because there is no circuit to connect to the "real" fifth pin and power the ECU.

Summary of Chrysler Production ECUs​


Part NumberUsagePinsNotes
34388501971-197251971 - 340 manual transmission only.
365612719725400 & 440 HP manual transmission, engine speed limited.
365612819725340 manual transmission, engine speed limited.
365690019735Improved cold starting.
375555019745Radio suppression capacitor.
38740201974 - 19795Voltage spike protection.
41118501980 - 19914Four pins, two terminal external ballast resistor.


Chrysler High Performance ECUs​


Chrysler’s performance parts programs, Direct Connection and Mopar Performance, released higher performance and ECUs. These ECUs typically specify a primary ballast resistance from 0.25 ohms to 0.8 ohms depending on the ECU version and the coil. Early ECUs had five pins and required dual ballast resistors, and later ECUs had four pins and used single ballast resistors, following the similar changes in production ECUs. Following is a listing of the Direct Connection/Mopar Performance ECUs:

ECUUsageCoilBallast Resistance
3438850RModification of production ECU for NASCAR racing up to 7000RPM, or 8000RPM with different coil and ballast resistorProduction or similar coil, 1.3-1.8 ohms. Or higher output racing coil.0.5-0.7 ohms. Or other resistance to match the coil used.
P3690011First performance parts ECU for Super Stock, etc. Replaced 3438850R.Production or similar coil, 1.3-1.8 ohms to 7000RPM. Or higher output racing coil to 9500RPM.0.5-0.7 ohms. Or other resistance to match the coil used.
P3690256High RPM ECU for Super Stock, etc. Replaced P3690011. Blue with gold heat sink.Production or similar coil, 1.3-1.8 ohms to 7000RPM. Or higher output racing coil to 9500RPM.0.5-0.7 ohms. Or other resistance to match the coil used. Use Accel 150001 per Accel instructions with 140001 Super Coil.
P3690256ARevised P3690256.Production or similar coil, 1.3-1.8 ohms to 7000RPM. Or higher output racing coil to 9500RPM.0.5-0.7 ohms. Or other resistance to match the coil used. Use Accel 150001 per Accel instructions with 140001 Super Coil.
P3690256BRevised P3690256A.Production or similar coil, 1.3-1.8 ohms to 7000RPM. Or higher output racing coil to 9500RPM.0.5-0.7 ohms. Or other resistance to match the coil used. Use Accel 150001 per Accel instructions with 140001 Super Coil.
P4007298Released in 1978 to replace P3690256/A/B. Chrome with blue multi-fin heat sink.Production or similar coil, 1.3-1.8 ohms to 7000RPM. Or higher output racing coil to 9500RPM.0.5-0.7 ohms. Or other resistance to match the coil used. Use Accel 150001 per Accel instructions with 140001 Super Coil.
P4120505Released for general high performance and moderate race applications. Orange with blue heat sink.Production or similar coil, 1.3-1.8 ohms to 5500RPM.0.5-0.7 ohms. Or other resistance to match the coil used. NOTE: later ballast resistor ~1.2 ohms can be used. Use Accel 150001 per Accel instructions with 140001 Super Coil.
P4120534Released in 1980 to replace P40007298. Chrome with black heat sink.Production or similar coil, 1.3-1.8 ohms to 6000RPM. Or higher output racing coil. 10500RPM with P3690560 coil.0.5-0.7 ohms. Or other resistance to match the coil used. P2444641 0.25 ohm with P3690560 coil.
P4120600High RPM, high output racing only. Gold with black heat sink.Works with production coil to 5500RPM, but not recommended. Use P3690560 coil or similar to 10500RPM.Resistance to match the coil used. 0.5-0.7 ohms with production coil. 0.8 ohms with Accel Super Coil. Use P2444641 0.25 ohm with P3690560 coil.

See the Direct Connection or Mopar Performance manuals referencing ignition modules and required ballast resistances and coils for details.

Aftermarket ECUs​


The multiple versions of the Chrysler ECUs performed the same basic function. In general, the aftermarket manufacturers produced a single ECU to cover all applications although early versions of five pin units preceded four pin units. Aftermarket high performance coils and aftermarket high performance or replacement ECUs ballast resistor requirements vary depending on manufacturer and ratings but often cover a broad range of applications functionally, although not necessarily ideally.

Most aftermarket ECUs made in the last 10-20 years are not made with the original style circuitry, not the proper TO-3 case power transistor of the earlier units. The power handling capability of these units is diminished as is the reliability in many cases.

Later production replacement ECUs can have a fifth "dummy" pin in the connector, but they are actually four-pin units.

The following is a listing of aftermarket Chrysler ECUs. The listing includes mostly older, some obsolete, units, but also includes some more modern numbers, particularly where they have not changed for manufacturers still in operation.

NOTE: 4-pin or 5-pin is denoted in some cases, but it varies over the production runs of various units. Where 5-pin is marked for earlier produced units, the unit is actually a 5-pin.

AC Delco
- C1900B
- C1900Z
- C1907
- C1908
- C1908B
- 12309038
- 12327406
- 12334603
- 12334872

Airtex
- 6H1062
- 6H1063 (5-pin)

Atlas
- AL401

Autopart International
- 250634603
- 34603
- 98523

Auto Tune
- E310/E315 (4-pin) (visual pack)
- PT315 (4-pin)

Autozone (GP Sorensen)
- EL110

Big A (See Echlin)

Borg Warner, BWD
- CBE5 (5-pin)
- CBE14
- CBE14P
- CBE14Z

CarQuest
- 551562 (Wells)
- LX101 (SMP)
- 7037
- CBE1016

Cartek
- 7037

CDI Electronics
- E11-0001 (marine)

COBRALINE
- EL110V

Delco
- See AC Delco

DelcoRibo
- IGM1037 (4-pin)
- IGM1038 (5 pin)

Delphi
- DS10067 ***

Duralast
- ICMB10075
- ICMB10134
- CR109 (4-pin)

Dura-Life (E-Tron)
- A411HT (4-pin)
- A850HT (5-pin)

Echlin/NAPA
- TP50 (5-pin)
- TP51 (4-pin)

E-Tron
- A411 (4-pin)
- A850 (5-pin)
- CEB (5-pin)

FCI (Factory Connections Int)
- MD-801 (4-pin)

Federated Ignition
- CBE14SB

Filko
- CH-300 (4-pin)
- CH-300X

Finline
- 99719

Formula Auto Parts
- IGM12 (4-pin)
- IGM16 (5-pin)

General Motors
- 12334603

Goss Vehicle Mechatronics (Australia)
- IM136 (5-pin)

GP Sorensen
- EL101 (5-pin)
- EL110 (4-pin)

Guaranteed Parts (GP)
- EL101 (5-pin)
- EL110 (4-pin)

High-Tech
- E100 (HT-100) (4-pin)

Kem, KemParts
- E106

Lucas
- DAB591

MasterPro
- 2-7037 or 27037

Mighty
- 2-3000A (4-pin)

MobileTron
- IG-C411

Motorola
- 6-60 (5-pin)

NAPA (See Echlin)

Niehoff
- AL401 (5-pin)
- AL403 (4-pin)
- AL403CS

Original Equipment Management
- 7037

Preferred Parts
- M-2020 (4-pin)

Premier Auto Trade (PAT (AU)
- MOD-066 (5-pin)

P&D (Bendix)
- C-1 (Less RPM Limiter)

Regitar
- C411 (4-pin)

Sierra Marine
- CR109 (4-pin)

Sierra Supply
- 18-5105 (5 pin) (replaces 3874020)

Sorensen
- CE24 (Pulsemaker)

SOSMetal
- 122101 (4-pin)

Standard, Elextron
- LX100 (5-pin)
- LX101 (4-pin)
- LX101T (4-pin)

Switches (Kidde, Federal Mogul)
- 400020 (5-pin)
- 400040 (4-pin)

TMR
- IG-C411(4-pin)

Transpo
- CM850
- CM900

Tridon (AU)
- TIM024 (5-pin)

Trust
- PT315

Tru-Tech (Standard Motor Products)
- LX-101T

United Motor Products
- M411

WAIglobal
- CM850
- ICM101

Wells
- CR100 (5-pin)
- CR1100 (5-pin, carded)
- CR109 (4-pin)
- CR1109 (4-pin, carded)
- CR114
- 551562 or 55-1562

White
- 31-2759157

WVE (Wells Vehicle Electronics)
- 6H1062
- 6H1063
- 6H1064





Measuring Low Resistance​


When measuring low resistances such as ballast resistors, account for the resistance of the test leads connected to the measuring device. This can be done by shorting the leads together, noting the resistance, and subtracting it from the measurement readings, or use the meter's relative setting (if equipped) similarly with the lead shorting, or use a meter that measures conductance and convert accordingly, or use a four wire ohms measurement setup with the appropriate device.




 
Last edited:
Regarding the use of the Holley 556-153 canister coil with a Chrysler ECU:
The 556-153 has a primary resistance of 0.7 ohms. Running without a ballast resistor and assuming 12 volts across the coil itself and the ECU switching transistor yields a current of 17+ amps which will burn out the ECU if it reaches this level, and is pushing the ratings of the wiring and connections. A ballast of ~1.3 ohms will bring this down to ~ six amps which is within the parameters for the Chrysler ECU or a point contact system. Chrysler 5206436 or P5206436 could be used as the ballast resistor. How the Holley coil performs with this should be checked with Holley, although they specify no resistor required. With the resistor installed, the Holley coil may not provide its full energy potential. Aftermarket ECUs might vary in what current they can handle compared to original Chrysler units.

Regarding the general use of a ballast resistor with Chrysler ECUs:
The ballast resistor, or the ballast resistor half of the dual resistor, performs a similar function as in the contact points system, whether a four-pin ECU or five-pin ECU. That is, it limits current through the series connected coil and switching power transistor in the ECU system, as with the series connected coil and points in the contact points system. The resistance increases as the current increases, which hears the resistor, in general due to engine speed increase. The increased resistance limits the current further protecting the coil and transistor or points. Both systems bypass the resistor during engine cranking.

The auxiliary five ohm resistor in the dual resistor connects internally in a five pin ECU as part of the driver circuitry for the switching transistor. When Chrysler re-designed the ECU in 1980, the external auxiliary resistor was eliminated with the revised circuitry.

The term "dual ballast resistor" is really a misnomer, but most sources, including Chrysler themselves in some documents refer to it this way. Chrysler also referred to it as dual unit or dual type, then referenced the appropriate resistor section. A more accurate term than dual ballast resistor would be "dual combined housing with ballast and auxiliary resistors".

For some more information about Chrysler's ballast resistors and ECUs, I wrote the following. It's not finished yet, like a lot of other documents in my queue, but it expands on some of the details and provides a timeline of the ECUs. There are no diagrams in this text part, but the already posted diagrams cover it.





Chrysler Electronic Control Units and Ballast Resistors

Author: Gary Lewallen

DRAFT - 12 June 2025
- ToDo: Add diagrams and associated verbiage
- ToDo: Add to Measuring Resistance
- ToDo: Add references
- ToDo: More aftermarket?
- ToDo: Table of Contents when sections completed
- ToDo: Full check


Contents

Introduction
Chrysler Contact Point Ignition System
Chrysler Electronic Ignition System
- Summary of Chrysler Production ECUs
Chrysler High Performance ECUs
Aftermarket ECUs
Measuring Low Resistance


Introduction​


Chrysler introduced their electronic ignition to replace point contact ignition systems. The following treatise describes the differences and nuances between Chrysler "4 pin" and "5 pin" Electronic Control Units (ECUs), a timeline of the ECU production, and the dual and single ballast resistors used, plus a comparison to the earlier point contact system. This document does not cover full theory of the overall system, nor diagnostic and repair of the system.

Chrysler Contact Point Ignition System​


The Chrysler electronic ignition system of the 1970s and 1980s was developed to replace their prior production version of the Kettering point contact ignition system. The goal was to replace the relatively high maintenance point/condenser ignition coil trigger method with a non-wearing electronic method while retaining many of the earlier components, with minor changes, including the coil, the distributor body and advance structure, the distributor cap and rotor, the secondary ignition spark plug wires, and a similar ballast structure to control coil current based on engine speed and demand. The ignition circuit ballast also limits current through the new switching transistor coil trigger similarly to the previous point contacts. The result was a magnetic pulse triggered, electronically switched coil with lower maintenance, and reduced development and production cost with the other similar and familiar ignition components.

In the Kettering style point contact ignition, including Chrysler's version, the system primary circuit ballast resistor's resistance varies directly with temperature, and indirectly with engine RPM to maintain a stable voltage at the ignition coil, and subsequent current through it. The electrical current primary ignition path is from the battery through the bulkhead connections, through the ignition switch contacts, through the ballast resistor, through the contact points, then to ground. When the engine is started, during “Ignition Start”, the ballast is bypassed during cranking. When the engine begins to run, and the ignition switch returns to "Ignition Run", the ballast is initially cool and resistance is low. As the engine runs at low speeds with longer induction build and collapse times in the coil, the ballast heats up, resistance increases, and current through the coil and voltage applied drops, preventing coil overheating and reducing point arcing. At higher engine speeds, with lessened induction build and collapse times in the coil, the ballast cools, resistance lowers again, and more current and applied voltage for the coil is available for higher speed secondary circuit spark plug firing.

Dual point distributors were used in some applications. The operation is the same as with a single contact point distributor except the dual points allow more “closed” point time, or dwell, which drives current longer into the coil resulting in a stronger spark. Higher RPM operation is typically achieved from less point “bounce” and a more assured spark. Ballast resistors for dual point systems were unchanged and performed the same function as single point systems.

The Chrysler ignition ballast resistor used in the 1960s through 1972 for point systems, part numbers 2095501, 2196316, or 2275590, is also an open back, ceramic power resistor. This ballast resistor measures 0.5 - 0.6 ohms af 70-80 degrees Fahrenheit and has specific, expected thermal design properties.

The Chrysler 1960s - 1979 production coil resistance at 70-80 degrees Fahrenheit measures 1.6 - 1.79 ohms for the Prestolite 2444242 type coil and 1.34 - 1.55 ohms for the Essex 2444241 type coil. The total dynamic action with an ignition coil involves its total impedance, but the direct current (DC) limiting effect is based on its resistance. The combined total resistance of the coil, ballast resistor, and the marginal wiring, connections, and point contact resistance add to about two-three ohms. The ~two-three ohm total, which varies as the ballast resistor varies, limits the point contact and coil primary current to about four to six amps peak.

A precursor, but not related, system to Chrysler’s electronic ignition of the 1970s and 1980s was the transistorized ignition produced for Chrysler by Prestolite and used on race vehicles. The two units, “black heat sink” and “blue heat sink”, using a different, but similar type, coil and ballast resistor (0.25 ohms) offloaded the firing of the coil by the points. The points triggered the unit which then fired the coil with more energy. It reduced point arcing and wear and allowed for a hotter, longer spark, and increased energy available at higher engine speeds.

Chrysler Electronic Ignition System​


Chrysler’s point ignition replacement electronic ignition, which first appeared in late 1971 340 with manual transmission models (Ref. Technical Service Bulletin D71-8-9), introduced the four-terminal, dual ballast resistor, part number 3656199 and Electronic Control Unit (ECU), part number 3438850.

The Chrysler ECU employs timing and driver circuitry internally to switch a power transistor with “turns on and off” to switch the coil primary on and off, producing the secondary spark. The electrical current primary ignition path is from the battery through the bulkhead connections, through the ignition switch contacts, through the ballast resistor, through the switching transistor, then to ground. The power transistor mounted on the outside of the ECU case with a heat sink can sink more current than contact points. This transistor switching performs the same action as the points of the old system. The dwell time of points that is adjusted by setting the point gap is controlled electronically within the ECU timing circuitry. The ECU mounts solidly to a body ground, both mechanically and electrically, and uses a molded five-pin connector to wire into the vehicle electrical system, ignition coil, and distributor. The distributor points and cam lobes of the old system are replaced by a reluctor wheel and magnetic/inductive pickup. The reluctor wheel has high points which vary the magnetic field strength, or reluctance, in the pickup coil generating the signal to the ECU.

The primary, or compensating, side of the dual resistor used with the ECU is the same type as the earlier point systems with an open back, ceramic housed, wire wound nominal 0.55 ohm resistor. The resistor still performed the same thermal adjusted coil current/voltage stabilization. The resistor also limits the current through the power transistor of the ECU, protecting it, similar to the same action with points.

The other side of the ceramic case dual ballast resistor houses an enclosed "non-thermal" auxiliary resistor which measures 4.75 - 5.75 ohms at 70-80 degrees Fahrenheit. This nominal, five ohm resistor is connected to the "fifth pin" of the ECU. Internal to the ECU, the auxiliary resistor connects to the collector lead of the driver transistor for the main power transistor and part of its biasing. It limits overall current from the 12 volt supply. The other four pins of the ECU connect to the dual lead of the distributor pickup coil, the 12 volt Ignition Run primary power, and the lead to the negative side of the coil for the coil switching action, similar to the connecting lead from the distributor points in the old system.

The primary ignition circuit wiring of the point system was modified and expanded to include the ECU. Although there are some wire color variations in production cars and trucks, the general color coding of the changed wiring, and that used in the Chrysler wiring harness kit, part number P3690152, is as follows:
  • Connection to 5 ohm ballast resistor terminal - green with red tracer (not used with 4-pin ECUs)
  • Connection to Ignition Run circuit - blue with yellow tracer
  • Connection to ignition coil negative (-) terminal - black with yellow tracer
  • Connection to distributor pickup coil 1/2 - grey
  • Connection to distributor pickup coil 2/2 - black
The same type of coil, part number 2495531, et.al. as used with the points system continued in production with the ECU, . The combined total resistance of the coil, ballast resistor, and the marginal wiring, connections, and effective transistor resistance still add to about two ohms. The ~two-three ohm total, which varies as the ballast resistor varies, limits the transistor and coil primary current to about four-six amps peak, although the transistor can actually sink more current.

In 1972, electronic ignition was extended to some other applications. Different versions and part numbers of the ECU were used, including some with an engine speed limiter which was denoted by heat sink color. The non-limited 3438850 has a gold heat sink. The red heat sink unit, part number 3656127 limits RPM to 5000-5200 and was used on 400 and 440 high performance manual transmission applications. The blue heat sink unit, part number 3656128 limits RPM to 5300-5500 and was used on 340 manual transmission applications.

In 1973, electronic ignition became standard on all domestic Chrysler vehicles. The speed limited ECUs were dropped from production. ECU part number 3656900, with gold heat sink and a white paint dot, replaced earlier ECUs as Chrysler improved the circuitry for better cold starting in low temperature conditions. As a running change in 1973 production, a radio noise suppression capacitor was added to the external wiring, connected to the green wire with red tracer.

In early 1974, ECU part number 3755550, with a gold heat sink, which now included the radio noise suppression capacitor internally, was released. Later in 1974, part number 3874020, with added voltage spike protection and a gold heat sink, replaced earlier ECUs. 3874020 was used through 1979.

In later 1975 production, Chrysler adjusted the primary resistance in the dual ballast resistors to 1.25 - 1.5 ohms and also encased the resistor reducing the thermal action as part number 3874767. The effect of current limiting based on engine speed and temperature variation was lessened to a shorter effective range.

The 1.5 ohm dual ballast resistor used in 1975-1979 ECU applications should not normally be used in place of the 0.5 ohm dual ballast resistor used in 1971-1975 ECU applications. The later dual ballast resistor will function okay in place of the earlier dual ballast, but depending on the ECU, optimal coil energy will be reduced.

In 1976, Chrysler introduced Electronic Lean Burn (ELB) which replaced the ECU in many applications, although the ECU function was integrated into the ELB Spark Control Computer (SCC) as the internal Ignition Control Module (ICM) in conjunction with the Program Schedule Module. ELB initially used a dual ballast resistor with the five ohm side connected to the SCC and the 0.5 ohm side still connected as ballast resistor for the coil. The conventional ECU with dual ballast resistor continued to be used in non-ELB applications.

In 1979, ELB was revised with digital control in the Program Module and the extreme lean condition of ELB was dropped. The revised SCC was called Electronic Spark Advance (ESA) or Electronic Spark Control (ESC). The conventional ECU with ballast resistor continued to be used in non-ESA/ESC applications. The ECU and ballast resistor was unchanged but the coil, part number 4167126, 4176009, et.al. was revised. The secondary wire connection was changed to an internal male lock terminal.

In 1980, Chrysler revised the non-ESA/ESC five pin ECUs to remove the external auxiliary resistor connected to the fifth pin of the ECU. The external resistor function is included internally in the revised internal circuitry. The Darlington pair power transistor mounted on the outside of the ECU case with a heat sink can sink 10 amps continuously and 16 amp peak spikes. This new unit for 1980 is the "four pin" ECU, part number 4111850, which was used through the 1980s. The new two terminal ballast resistor (part number 4106340, 5206436, et.al.) is 1.12-1.38 ohms for the primary circuit to the coil. The new ballast resistor eliminated the metal bracket and had a mount molded into the ceramic housing.

A four pin ECU can be used in a five pin ECU system with its four terminal ballast resistor. The five ohm resistor half of the dual ballast resistor is not used, nor is the ECU pin connected internally, even if a "dummy" fifth pin is present. However, an early five pin ECU cannot function in a system with a two terminal ballast because there is no circuit to connect to the "real" fifth pin and power the ECU.

Summary of Chrysler Production ECUs​


Part NumberUsagePinsNotes
34388501971-197251971 - 340 manual transmission only.
365612719725400 & 440 HP manual transmission, engine speed limited.
365612819725340 manual transmission, engine speed limited.
365690019735Improved cold starting.
375555019745Radio suppression capacitor.
38740201974 - 19795Voltage spike protection.
41118501980 - 19914Four pins, two terminal external ballast resistor.


Chrysler High Performance ECUs​


Chrysler’s performance parts programs, Direct Connection and Mopar Performance, released higher performance and ECUs. These ECUs typically specify a primary ballast resistance from 0.25 ohms to 0.8 ohms depending on the ECU version and the coil. Early ECUs had five pins and required dual ballast resistors, and later ECUs had four pins and used single ballast resistors, following the similar changes in production ECUs. The higher performance Following is a listing of many of the Direct Connection/Mopar Performance ECUs:

ECUUsageCoilBallast Resistance
3438850RModification of production ECU for NASCAR racing up to 7000RPM, or 8000RPM with different coil and ballast resistorProduction or similar coil, 1.3-1.8 ohms. Or higher output racing coil.0.5-0.7 ohms. Or other resistance to match the coil used.
P3690011First performance parts ECU for Super Stock, etc. Replaced 3438850R.Production or similar coil, 1.3-1.8 ohms to 7000RPM. Or higher output racing coil to 9500RPM.0.5-0.7 ohms. Or other resistance to match the coil used.
P3690256High RPM ECU for Super Stock, etc. Replaced P3690011. Blue with gold heat sink.Production or similar coil, 1.3-1.8 ohms to 7000RPM. Or higher output racing coil to 9500RPM.0.5-0.7 ohms. Or other resistance to match the coil used. Use Accel 150001 per Accel instructions with 140001 Super Coil.
P3690256ARevised P3690256.Production or similar coil, 1.3-1.8 ohms to 7000RPM. Or higher output racing coil to 9500RPM.0.5-0.7 ohms. Or other resistance to match the coil used. Use Accel 150001 per Accel instructions with 140001 Super Coil.
P3690256BRevised P3690256A.Production or similar coil, 1.3-1.8 ohms to 7000RPM. Or higher output racing coil to 9500RPM.0.5-0.7 ohms. Or other resistance to match the coil used. Use Accel 150001 per Accel instructions with 140001 Super Coil.
P4007298Released in 1978 to replace P3690256/A/B. Chrome with blue multi-fin heat sink.Production or similar coil, 1.3-1.8 ohms to 7000RPM. Or higher output racing coil to 9500RPM.0.5-0.7 ohms. Or other resistance to match the coil used. Use Accel 150001 per Accel instructions with 140001 Super Coil.
P4120505Released for general high performance and moderate race applications. Orange with blue heat sink.Production or similar coil, 1.3-1.8 ohms to 5500RPM.0.5-0.7 ohms. Or other resistance to match the coil used. NOTE: later ballast resistor ~1.2 ohms can be used. Use Accel 150001 per Accel instructions with 140001 Super Coil.
P4120534Released in 1980 to replace P40007298. Chrome with black heat sink.Production or similar coil, 1.3-1.8 ohms to 6000RPM. Or higher output racing coil. 10500RPM with P3690560 coil.0.5-0.7 ohms. Or other resistance to match the coil used. P2444641 0.25 ohm with P3690560 coil.
P4120600High RPM, high output racing only. Gold with black heat sink.Works with production coil to 5500RPM, but not recommended. Use P3690560 coil or similar to 10500RPM.Resistance to match the coil used. 0.5-0.7 ohms with production coil. 0.8 ohms with Accel Super Coil. Use P2444641 0.25 ohm with P3690560 coil.

See the Direct Connection or Mopar Performance manuals referencing ignition modules and required ballast resistances and coils for details.

Aftermarket ECUs​


The multiple versions of the Chrysler ECUs performed the same basic function. In general, the aftermarket manufacturers produced a single ECU to cover all applications although early versions of five pin units preceded four pin units. Aftermarket high performance coils and aftermarket high performance or replacement ECUs ballast resistor requirements vary depending on manufacturer and ratings but often cover a broad range of applications functionally, although not necessarily ideally.

Most aftermarket ECUs made in the last 10-20 years are not made with the original style circuitry, not the proper TO-3 case power transistor of the earlier units. The power handling capability of these units is diminished as is the reliability in many cases.

Later production replacement ECUs can have a fifth "dummy" pin in the connector, but they are actually four-pin units.

The following is a listing of aftermarket Chrysler ECUs. The listing includes mostly older, some obsolete, units, but also includes some more modern numbers, particularly where they have not changed for manufacturers still in operation.

NOTE: 4-pin or 5-pin is denoted in some cases, but it varies over the production runs of various units. Where 5-pin is marked for earlier produced units, the unit is actually a 5-pin.

AC Delco
- C1900B
- C1900Z
- C1907
- C1908
- C1908B
- 12309038
- 12327406
- 12334603
- 12334872

Airtex
- 6H1062
- 6H1063 (5-pin)

Atlas
- AL401

Autopart International
- 250634603
- 34603
- 98523

Auto Tune
- E310/E315 (4-pin) (visual pack)
- PT315 (4-pin)

Autozone (GP Sorensen)
- EL110

Big A (See Echlin)

Borg Warner, BWD
- CBE5 (5-pin)
- CBE14
- CBE14P
- CBE14Z

CarQuest
- 551562 (Wells)
- LX101 (SMP)
- 7037
- CBE1016

Cartek
- 7037

CDI Electronics
- E11-0001 (marine)

COBRALINE
- EL110V

Delco
- See AC Delco

DelcoRibo
- IGM1037 (4-pin)
- IGM1038 (5 pin)

Delphi
- DS10067 ***

Duralast
- ICMB10075
- ICMB10134
- CR109 (4-pin)

Dura-Life (E-Tron)
- A411HT (4-pin)
- A850HT (5-pin)

Echlin/NAPA
- TP50 (5-pin)
- TP51 (4-pin)

E-Tron
- A411 (4-pin)
- A850 (5-pin)
- CEB (5-pin)

FCI (Factory Connections Int)
- MD-801 (4-pin)

Federated Ignition
- CBE14SB

Filko
- CH-300 (4-pin)
- CH-300X

Finline
- 99719

Formula Auto Parts
- IGM12 (4-pin)
- IGM16 (5-pin)

General Motors
- 12334603

Goss Vehicle Mechatronics (Australia)
- IM136 (5-pin)

GP Sorensen
- EL101 (5-pin)
- EL110 (4-pin)

Guaranteed Parts (GP)
- EL101 (5-pin)
- EL110 (4-pin)

High-Tech
- E100 (HT-100) (4-pin)

Kem, KemParts
- E106

Lucas
- DAB591

MasterPro
- 2-7037 or 27037

Mighty
- 2-3000A (4-pin)

MobileTron
- IG-C411

Motorola
- 6-60 (5-pin)

NAPA (See Echlin)

Niehoff
- AL401 (5-pin)
- AL403 (4-pin)
- AL403CS

Original Equipment Management
- 7037

Preferred Parts
- M-2020 (4-pin)

Premier Auto Trade (PAT (AU)
- MOD-066 (5-pin)

P&D (Bendix)
- C-1 (Less RPM Limiter)

Regitar
- C411 (4-pin)

Sierra Marine
- CR109 (4-pin)

Sierra Supply
- 18-5105 (5 pin) (replaces 3874020)

Sorensen
- CE24 (Pulsemaker)

SOSMetal
- 122101 (4-pin)

Standard, Elextron
- LX100 (5-pin)
- LX101 (4-pin)
- LX101T (4-pin)

Switches (Kidde, Federal Mogul)
- 400020 (5-pin)
- 400040 (4-pin)

TMR
- IG-C411(4-pin)

Transpo
- CM850
- CM900

Tridon (AU)
- TIM024 (5-pin)

Trust
- PT315

Tru-Tech (Standard Motor Products)
- LX-101T

United Motor Products
- M411

WAIglobal
- CM850
- ICM101

Wells
- CR100 (5-pin)
- CR1100 (5-pin, carded)
- CR109 (4-pin)
- CR1109 (4-pin, carded)
- CR114
- 551562 or 55-1562

White
- 31-2759157

WVE (Wells Vehicle Electronics)
- 6H1062
- 6H1063
- 6H1064





Measuring Low Resistance​


When measuring low resistances such as ballast resistors, account for the resistance of the test leads connected to the measuring device. This can be done by shorting the leads together, noting the resistance, and subtracting it from the measurement readings, or use the meter's relative setting (if equipped) similarly with the lead shorting, or use a meter that measures conductance and convert accordingly, or use a four wire ohms measurement setup with the appropriate device.




Thank you for the comprehensive and impressive article. Will this help shed the light? Only if people read it carefully.
 
Back
Top